D880
D880
CJ
FAIRCHILD TO-220
In Stock: 1700 pcs
transistor, amûrek nîvrojek NPN NPN-a Robust li pakêtek to-220 xanî ye, di nav amplification frekuence ya bihîstî û rêveberiya giran de.Bi kolektîfek heyî ya 3A û jêhatîbûna voltajan heta 60v, ew di veguherînerên DC-DC, Circuits de, û serîlêdanên guhastinê yên kêm-voltaje, hilbijartinek bijare ye.Versatility, karbidest, û pêbaweriya wê ji bo ku hûn di sêwiranên elektronîkî yên cihêreng de digerin.
Ketelog
Ew
D880
D880
CJ
FAIRCHILD TO-220
In Stock: 1700 pcs
Transistor, amûrek nîvrojiya NPN-ya diyarkirî di pakêtek to-220 de, di amplification frekuence audio de bandorker.Adaptasyona wê di nav sepanên general-armanc de dihejîne.Bi şiyana birêvebirina 3A ya barkirina heyî, ew ji bo motorsên xebitandinê, transistorên hêzdar, û relays bi karbidestiya nîşankirî sûd werdigire.Rastiyek wiha we di elektronîkan de nirxandina rêveberiya load ya pêbawer e.
• amplification ya frekansa bihîst
• Motorsên ajotinê, transistorên hêzên bilind, û relays
• Ji bo her du projeyên pispor û hogirê minasib e
Rêvebirê barkêşiya veguhêzbar a transistor bi hewcedariyên pratîkî û daxwazên wan ên dilpakî re li ser pêşxistina pergalên elektronîkî yên zexm radibe.
D880
D880
CJ
FAIRCHILD TO-220
In Stock: 1700 pcs
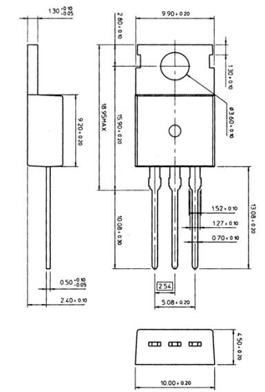
transistor, ji bo nirxa xwe di qadên elektronîkî de nas kir, sê pinên bingehîn taybetmendî: Emitter (e), bingeh (b), û kolektîf (c).Fonksiyonên bêhempa û navbeynkariya dînamîkî ya van PIN-ê dihesibînin ku bi awayek berfireh bi serîlêdanên berbiçav ve berbiçav dike.

Hejmara Pin
|
Navê Pin
|
Terîf
|
1
|
Bingeh
|
Kontrola transistor kontrol dike.Berê xwe dan
an ji transistor dûr bikin.
|
2
|
Berhevker
|
Diherike nav berhevber, bi gelemperî ve girêdayî ye
dawetkirin.
|
3
|
Emitter
|
Niha bi riya emitter vedihewîne, bi gelemperî ve girêdayî ye
erd.
|
Taybetmendiyên fîzîkî û elektrîkê
Di nav pakêtek to-220 de dorpêçkirî ye, transistor
D880
D880
CJ
FAIRCHILD TO-220
In Stock: 1700 pcs
bi belavkirina germbûna xwe ya jêhatî û aramiya mekanîkî ve girêdayî ye.Wekî transistorek NPN-celeb, ew piştgiriyê dide kolektîfek pirtirîn ya 3A, di nav amplifasyona hêzê de li amplification û rolên veguhastinê pêk tîne.Ew dikare voltaja kolektîf-emitter bigire heya ku heya 60V-ê bigihîje, mîhengên dorpêçkirina cihêreng hêsantir bike.
Performansa û kapasîteyê
Kapasîteya transistor ji bo belavkirina 30w hêza xwe di kêmasiya xwe de di kêmkirina windabûna hêzê de, bi vî rengî asta performansê di qadên elektronîkî de zêde dike.Bi 2 MHz re derbasbûnek veguhastinê, ew di nav mîhengên amplifier audio amplifier û peywirên pêvajoyê yên RF de, dihêle ku ew di serîlêdanên dubare yên bi dravî de xizmet bike.Germahiya wê ya xebitandinê ji -55 heta +150 ° C bi rohnî û adaptasyona xwe diaxive, pêbaweriya xwe li hember hawîrdorên bazirganî û pîşesaziyê îsbat dike.
Reş û destkeftiyan
DC Hatina DC, ji 60 û 300-ê, potansiyela amplîkî ya D880 ronî dike, girîngiya xwe di qefesên ku hewceyê werzîşê ya berbiçav e.Vê faktorê bi taybetî bandor li kargêriya xwe li jîngehê dike li derdorên ku pêşkeftina nîşana rastîn e, wek mînak di amûrên danûstendina bihîstbar de.Di karanîna pratîkî de, ew nirxên werzişê yên bilindtir bi gelemperî wekhevkirina performansa başbûyî di çarçoveyên kêm-nîşankirî de, parastina yekrêziya îşaretê.
Pispor bi gelemperî D880 ji bo tevliheviya hevseng a rêveberiya hêzê û ampûla nîşanê xweş dikin.Ji bo dirêjkirina jiyana xwezayî û performansa xwe, rêveberiya germê ya çêtirîn, dibe ku bi karanîna çandina germên guncan, bi gelemperî tête pêkanîn.Baweriya wê di Mîhengên Versatsî de Peymanek e ku di navbeyna xwe ya berbiçav de hem ji ezmûnên elektronîkî ve hatî damezrandin.Dema ku bi fikir tê bikar anîn, ew di karbidest û bandorker de feydeyên girîng dide, bi hêsanî di çarçoveyên cuda yên elektrîkî de bêyî ku fonksiyonên qurbanî bikin, bi hêsanî di çarçoveyên cuda de.
Awa
|
Paramet
|
Package / doza
|
To-220
|
Pakkirin
|
TUBE-PACKED
|
Voltage - Collector Emitter Breakdariya (MAX)
|
60V
|
Current - Collector (IC) (MAX)
|
3A
|
Hêz - Max
|
30W
|
Rewşa Rohs
|
Rohs razî kirin
|
D880
D880
CJ
FAIRCHILD TO-220
In Stock: 1700 pcs
transistor pêkhateyek maqûl û bikêr e, bi gelemperî di gelek projeyên elektronîkî de tête bikar anîn.Ew bi taybetî ji bo peywirên ku bi rêveberiya hêzê bandor, kontrola rastîn, û operasyona pêbawer pêk tê baş dixebite.Bi rêxistinkirina serlêdanên xwe û di beşên berfireh û avakirin de bikar bînin, hûn dikarin taybetmendiyên xwe fêm bikin û çawa ew li ser armancên cihêreng e.
Serlêdanên veguherîna hêzê
D880 transistor di pergalên veguherîna hêzê de pir bi nirx e, nemaze di veguherînerên DC-DC de.Van veguherînan bi bandor rasterast ji yek astek rasterast veguherînin, ku di cîhazên mîna elektronîkên batterê de, li ku derê kargêriya enerjiyê hewce ye.Performansa Roundê ya Transistor di van pergalan de operasyona hêsan peyda dike, amûrên çalakkirinê da ku hûn karanîna hêzê xweş bikin û jiyana bateriyê dirêj bikin.
Kapasîteyên Amûrên Audio
Di pergalên bihîstwerî de, hûn ê D880 bibînin ku di qertên amplification de têne bikar anîn.Ew rahijên bilind-hilberê, hem jî kalîteya dengî û hem jî dengbêjan baş dike, ku ew ji bo her tiştî ji amûrên dengî yên kesane ji sazûmanên dengên profesyonel re hilbijartinek mezin dike.Qebûlbûna wê peydakirina zelal, nîşanên amplifiified bi distorên hindiktirîn re populer dike ku ew bi entegre û pisporên bihîstî wekhev.Ji derveyî peywirên Audio, hûn dikarin di nav cûrbecûr amûrên amplentasyonê yên gelemperî de bikar bînin
Serlêdanên li elektronîkan veguherînin
D880 di veguherîna operasyonan de wekhev bandor e, nemaze di serlêdanan de ku hewceyê voltaja kêm û destwerdana heyî ya navîn e.Kapasîteya wê ji bo birêvebirina asta heyî ya heyî ji bo veguheztina karan, ji bo veguhastina operasyona bêpergal a amûrên elektronîkî yên cihêreng e.Ka ew ji bo ku meriv li mîkrobontrolkeran biqedîne an ji bo kontrolkirina motor, relists, hêzên hêzdar, û pergalên ronahiyê, d880 piştrast dike ku performansa rastîn û aramî piştrast dike.Ev versatility pêbawer û dirêjahiya amûran zêde dike, ew di pergalên otomatîk û amûrên hişmend de pêkhateyek girîng çê dike.
D880 transistor beşek pir-fonksiyonel e, bi rengek berbiçav a hewcedariyên teknolojîk ên berbiçav e.Qebûlkirina wê ya dualî ku wekî amplifikatorek hêzdar tevbigere û veguherînek pêbawer dihêle ku ew di derheqê pîşesaziyên cihêreng de navnîş bike.Ka ew performansa bihîstî zêde dike an peydakirina kontrola rastîn a li ser pergalên elektronîkî, d880 bi domdarî, karbidestan, û maqûlbûna ku bibe beşek bingehîn a her du sazûmanên elektronîkî yên hêsan û tevlihev.
• nte152
• SC1826
•
BD241
BD241
FSC
BD241 FSC TO-220
In Stock: 2230 pcs
• 2sb834
•
2SC1060
2SC1060
HITACHI
771
In Stock: 2346 pcs
•
2SC1061
2SC1061
MOSFEC
MOSFEC TO-220
In Stock: 1457 pcs
• 2sc1173
• 2sc1226
• 2SC1226A
• 2SC1418
• 2SC1419
• 2sc2236
•
2SC2500
2SC2500
TOSHIBA
2SC2500 HGF TO-92L
In Stock: 5220 pcs
•
2SC2075
2SC2075
TOSHIBA
2SC2075 三洋 TO220
In Stock: 11518 pcs
• 2sd1134
• 2sd1274a
• 2SC1985
• 2sc1826
• BDT31
• BDT31A
• Ksa1220
•
2N5551
2N5551
Diotec Semiconductor
BJT TO-92 160V 600MA
In Stock: 136000 pcs
•
S8550
S8550
MDD
TRANS PNP 25V 0.5A SOT23
In Stock: 1000000 pcs
•
BD136
BD136
onsemi
TRANS PNP 45V 1.5A TO126
In Stock: 50000 pcs
•
TIP32C
TIP32C
NTE Electronics, Inc
TRANS PNP 100V 3A TO220
Out Stock
Dema ku dirêjkirina jiyana xwe dirêj dike, karanîna
D880
D880
CJ
FAIRCHILD TO-220
In Stock: 1700 pcs
transistor bi bandorker performansa stabîl û pêbawer pêk tîne.Ji bo pêkanîna vê yekê, girîng e ku transistor li jêr 20% ji nirxên xwe yên herî zêde, domandina marjînalek ewlehiyê ya ku pêşî lê zêde dibe asteng dike.
D880 xwedan kolektîfek herî zêde ya 3A ye, ji ber vê yekê tê pêşniyar kirin ku ji bargiraniyê dûr bikeve 2.4a ji bo kêmkirina stresê li ser rêgezê.Bi voltaja herî zêde ya 60V di navbera kolektor û emitter de, çêtirîn e ku meriv ji 48V-ê bêtir ji barkirinê re serlêdan bike da ku operasyona ewledar bicîh bîne.Zêdetirî van sînoran dikare bibe sedema zêdebûna an zirarê.

Ji bo parastina transistor û fonksiyona domdar, fitne ya rûniştinê ya guncandî pêdivî ye.Ev di dema operasyonê de hilberîna germê zêde dike.Wekî din, her dem germahiya xebitandinê di navbêna -5 ° C + + 150 ° C de bigirin.Pêkirina rêveberiya germî ya rast ji bo her du karbidestan û durustî di projeyên xwe yên elektronîkî de krîtîk e.
Li dû van tedbîrên, D880 transistor dikare bi bandor û bi pêbawer performs bike, ew ji bo hêz û kontrolkirina karên cûda di serîlêdanên xwe de bijartinek hêja.

Feihong Machinery & Co., Ltd. Di hilberîna heater-a Chinaînê de rolek bi bandor dilîze.Ew alavên ku bi berfirehî di nav cûrbecûr cûrbecûr de têne bikar anîn peyda dikin, di pîşesaziyê de girîngiya xwe tekez dikin.Serkeftina pargîdanî bi kûrahî û pêbaweriya xwe ya bêhempa ve tê rêve kirin, taybetmendiyên ku di çêkirina makîneyên heater-ê de pir digerin.Lêgerîna wan a domdar a bîhnfirehiyê, adaptasyona xwe ya herî mezin û adaptasyonê nîşan dide.
1. Serlêdanên potansiyel ên D880 Transistor di elektronîkên nûjen de çi ne?
Di serî de, Transistor
D880
D880
CJ
FAIRCHILD TO-220
In Stock: 1700 pcs
di navbêna amplifiefên hêza kêm-frekans de tê bikar anîn.Bi taybetî, ew di nav Class B sêwiranên amplifier push-pull de entegre ye, ku hevokek NPN bi Transistorên PNP-ê yên bipejirîne sûd werdigire.Di serlêdanên cîhanê de, mîhengên weha bi bandor di amplifikatorên dengî de kêmasîn kêm dikin, ku nirxa girîng a elektronîkên wekî pergalên şanoya malê û amûrên muzîkê zêde dikin.Di salên salan de, pispor dîtin ku di navbera destwerdana hêz û aramiyê de lênêrîna di navbera hêz û aramiyê de dikarin potansiyela transistor vebikin.
2 Ma ne gengaz e ku D882 ji bo D880 di sêwiranên Circuit de cîh bikin?
Dema ku meriv li şûna D882 ji bo D880-ê bifikire, piştrast bike ku voltajên Circuit ji 30V û rûkan dûr nekevin binê 3A.Rêzkirina rastîn di dema şûna girîng de ye, ji ber ku transistor nû divê bi sazkirina PIN-ya heyî re têkildar be.Nirxa ceribandina berfireh a ceribandina post-mêtîngeriyê tekez bikin.Verastkirina ku hemî parameter bi zagonî ne bi taybetmendiyên sêwiranê re parvekirina yekrêz û fonksiyonê ya dorpêçê garantî dike.
3 Methodi rêbaza rast e ku D880 transistor di quncikê de derbas bike?
D880 avahiyek bi du qonaxên PN-yê ve girêdayî ye ku nîvgirava li bingehê, emitter, û berhevkar dabeş dike.Arrowek nîşan dide Emitter, digel bingehê li navendê û kolektorê berevajî Emitter, hemî lihevhatinên li ser araneyên NPN û PNP.Teknolojiya Wiring-ê ya bêkêmasî ji bo performansa bandorker a bandor e;Tewra nuwazeyên delal ên li Pin Orientation dikarin li ser operasyona giştî ya Circuit bandor bikin.Ev têgihiştin bi domdarî di xebatekên elektronîkî û bernameyên perwerdehiyê de, li ku derê giringî li ser sêwirana elektronîkî û civata elektronîkî ye.
Vê postê parve bikin