74HC00
74HC00
RENESAS
74HC00 ST SOP
In Stock: 6124 pcs
, endamê navdar ê malbata ICIC-ê ya CMOS-ê, yek pakêtek di yek pakêtê de, bi teknolojiya operasyona Levicon-Gate re têkildar be.Ev bloka leza û karîgeriyê, ku ji hêla wê ve ji bo Parastina Olectrostatic Ole Ten Ls-Ttl Drive, ji bo Parastina Derveyî ya Elektrostatîkê ve hatî zêdekirin, 74HC00 wekî beşek pirjimar û pêbawer di sêwirana Dîjîtal a Dîjîtal de cih digire.Hûn dikarin ji bo bêserûberiya bêserûber û lihevhatina wê bi gelek pîşesaziyê û hevsengiya standard re, nirxandinên xwe bidin, ew çêkirina pergalên dîjîtal ên nûjen û robust.
Ketelog
Ew
74HC00
74HC00
RENESAS
74HC00 ST SOP
In Stock: 6124 pcs
, tevlî çar dergehên NAND, ji bo hevgirtina xwe bi malbata LS-TTL re tê destnîşankirin.
Teknolojiya SILICON-GIRE CMOS CMOS, ew zûtir bi leza operasyonê ve dike ku dema ku balê dikişîne li ser vexwarina hêza kêm.Vê balansê dihêle hûn her du leza û karbidestan, sêwiranên çandiniyê yên ku bi zikmakî re rûdiniştin.Derketina deriyê buffered bêserûberiya bê deng zêde dike, faktorek ku beşdarî performansa domdar be jî di hawîrdora nîşaneya dijwar de ye.
Kapasîteya wê ya ku ji deh LS-TTL barkirin ji bo pergalên ku gelek derûdora nîşangiran tê xwestin guncan e.
Bi girêdana dioda navxweyî de hatî çêkirin, ew xetereyên ku bi veqetandina electrostatic re têkildar kêm dike.Ev taybetmendî di dirêjkirina dirêjahiya dirêjahiya dirêj de rola xwe zêde dike, bi rengek şehrezayî di lêgerîna bileziya dirêj de ronahî dike.
Replacements û wekhev:
•
CD4011
CD4011
I-CORE
701
In Stock: 25220 pcs
• Mc54HC00AJD
• M74HC00M1
• SN54LS00
• SN74HCT00DTe4
•
74HCT132D
74HCT132D
NXP
74HCT132D PHILIPS SOP14
In Stock: 16924 pcs
•
74HCT00
74HCT00
TI
74HCT00 ST SOP14
In Stock: 2870 pcs

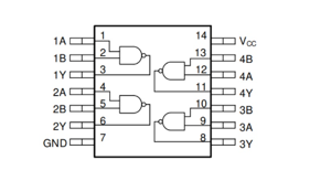
• Pins 1, 2, 4, 5, 9, 10, 12, 13: Daneyên daneyê
Van pin hatine çêkirin ku nîşanên têketinê rêberên operasyonên mantiqê yên li dergehên nand ên di hundurê çîpokê de digirin.Piştrastkirina van inputan ji tevgerên navbeynkariyê yên girêdayî navbeynkariyê, behreya cerdevaniyê ya girêdayî ye, ji bo kontrol û pêşbîniyê nîşan dide.
• Pins 3, 6, 8, 11: Daxuyaniyên Data
Dema ku encaman tevdigerin, ev pin encamên hesabên Gate yên Nand veguheztin.Ew dikarin di avahiyên mantiqên cihêreng ên cihêreng de bixebitin, bi hevra nimûneyên mantiqê yên tevlihev.Dema ku pirjimar bi rengek yekcar ve girêdayî ne, bandorên barkirinê yên potansiyel li balansa delal a ku di têkiliyên tevlihev de hewce dike hewce dike.
• Pin 7: Zevî (GND)
Vê Pinê bi axa pergalê ve girêdayî ye ku ji bo voltajan xalek referansek domdar peyda bike.Damezrandina pêwendiyek wusa aramî bi lêgerîna xwezayî ya erd û zelal, kêmkirina tengasiyan pêk tîne.
• Pin 14: Hêza erênî (VCC)
Di vê pinê de voltaja rast têxin nav performansa cîhazê.Dema ku di nav rêza diyarkirî de dirêjkirin û karbidestan dihesibîne, danîna kapasîteyên birêkûpêk ên nêzîkê Pêncên Hêzan dikarin bi awayekî girîng bisekinin, stratejiyên mirroring ji bo birêvebirina tevliheviyên jiyanê.
74HC00
74HC00
RENESAS
74HC00 ST SOP
In Stock: 6124 pcs
bi çar dergehên serbixwe yên nehf ên ku balê dikişînin ser kargêriya hêzê, balê dikişînin ser performansa xwe ya pêbawer di navbêna dîjîtal de.Baweriya wê ya bêserûberiya wê ya berbiçav dibe alîkar ku serlêdanên aram, ku gelek kes ji bo projeyên ku pêşengiya hevgirtî dibînin.Di formên dip û soîk de peyda dibin, ew bi daxwazên sêwirana cihêreng re civiya û vebijarkên pêvekên PCB-ê yên maqûl peyda dike.
Adaptasyona 74HC00 destûrê dide ku ew bi rengek berbiçav a mîhengên deriyê logîk û pergalên tevlihev.Hûn dikarin jêhatiya ajotinê ya robust / hilberîna xwe ya rûreşiyê nirx bikin, ku ew ji bo fonksiyonên têkçûyî yên tevlihev ên kêrhatî bibînin.
Kapasîteya wê di bin şert û mercên cûda de di pêşveçûna perwerdehî û prototîpa de 74HC00 populer dike.Rastiya ku ew bi tevliheviya dorpêçê zêde dibe ji we re dişoxilîne da ku hûn nûvekirinên nû bibînin bêyî qurbana performansê.
Overview hilberîner
Instrumentên Texas ji bo afirandina xwe ji bo çêkirina hilberên nîvgiravî û bingehek ji bo çêkirina hilberên pergalî û bingehek.Bi baldariya wan a bêhempa û performansa xwe ya bêhempa, pêkhatên amûrên Texas xwe di dilê gelek serlêdanan de dibînin, ku di pîşesaziya elektronîk de rola xwe ya bandor nîşan didin.
Dirêjiyên fîzîkî
Pîvandin 8.65mm x 1.91mm x 1.58mm,
74HC00
74HC00
RENESAS
74HC00 ST SOP
In Stock: 6124 pcs
ji bo jîngehek berbiçav ji bo jîngehên kompleks ve hatî çêkirin.Van dimenan entegrasyonê di nav cûrbecûrên cihêreng ên rêwîtiyê de hêsan dikin, dihêlin ku hûn cîhê herî sînordar bikin bêyî ku hûn kapasîteyên balkêş ên amûrê lihevhatî bikin.
Taybetmendiyên elektronîkî
Voltaja dabînkirinê ji 2V heta 6V, di hilbijartina çavkaniyên hêzê de peyda dike û lihevhatina lihevhatinê bi spektîfek berfireh ya cûrbecûrên dîjîtal.Vê navnîşa voltaja piştgirî dide serîlêdanên berbiçav, ku 74HC00-ê bicîh bikin ku bi adet kirin ku daxwazên li hawîrdorên dînamîk biguhezînin.
Şert û mercên jîngehê
Di navbera -40 ° C û 85 ° C û 85 ° C de xebitîne, cîhaz ji bo geşedanên cihêreng û şertên pîşesazî tê sêwirandin.Berxwedana wê ya li dijî germahiya germê ew ji bo serlêdanên elektronîkî û serlêdanên pîşesazî, hilbijarkî bijare dike, ku guhertoya jîngehê tê dayîn.
Metrics Performance
Pêşkêşkirina belavkirina belavkirina 23 nanosecond, 74HC00 ECCELS di karanîna kargêriya ku ji bo fonksiyonên leza lezgîn hewce ye.Ev performansa swift ji bo serlêdanên wekî pergalên îşaretê yên dîjîtal û pergalên ragihandinê yên dîjîtal e, ku danûstandina daneya bilez hewce ye.
Berhevoka strukturanî
Amûran 4 dergeh, ji bo operasyonên mantiqê nand, fonksiyona girîng a ji bo sêwiranên mantiqê yên tevlihev peyda dike.Vê konfigurasyonê sûd werdigire ku li cihê ku operasyonên mantiqî hewce ne ku bi karbidest bêne darve kirin, di hundurê pergalê de pêvajoyek bilez û pêbawer peyda bikin.
Bisinifkirinî
Fonksiyonê wekî dergehek logîk, 74HC00 di afirandina dîjîtal de di afirandina dîjîtal de xeberdanek bingehîn xizmet dike.Hûn dikarin van hêmanan bikar bînin da ku pergalên dîjîtal ên tevlihev ava bikin, bi vî rengî hêza computîkî û pêşkeftina kapasîteyên pêvajoyê di awayên nûjen de zêde dike.
74HC00
74HC00
RENESAS
74HC00 ST SOP
In Stock: 6124 pcs
çar çar deriyên cuda cuda yekpare dike, her du input bi derketina yek derketinê.Operasyon bi tabloyek rastiya berfireh ve girêdayî ye.Bi taybetî, hilberîna kêm kêm eger her du input bilind in.Wekî din, dergeh di sêwirana mantiqê dîjîtal de elementek seretayî bilind dibe - wek pêkhatek bingehîn di navbêna qefesên berbiçav de.
Bersivên erênî li ser aramiya li van dergehan bandor dike.Her ku her dergeh inputên xwe pêvajoyê dike, bersivan xizmet dike ku ji bo xurtkirina dewletek derketî ya domdar, performansa domdar peyda bike.Ev hevsengiyê bi hevgirtina reaksiyonên derî bi nirxên input re tê gihîştin.Hûn dikarin li vê alîgirê bixin nav daristanên ku daxwaz dikin ku dewletên mantiqî yên girêdayî, damezrandina pêvekek pêşbîniya pêbawer e.
Di nav dergehên NAND-ê de subtleties of Dynamics input-input-ya di nav Nand Gates de bitikîne ku potansiyela ji bo sêwiranên dorpêçê yên berbiçav zêde dike.Serlêdanên hevpar di nav de avakirina flip-flops û bicihanîna karên mantiqî yên wekî û, an jî, ne operasyonan.Ev versatility li seranserê spektrîkê li seranserê naverokan, ji mekanîzmayên kontrolê yên rasterast heya çarçoweyên berhevkirî yên sofîstîke.
Li ser karanîna berfireh a 74HC00, performansa wê ya girêdayî ye ku têkildarî di zeviyan de di warê zeviyan de digere.Hêza ku van dergehên di çarçoveyên mobîl ên cihêreng de bicîh bikin, azadiya afirîner a berbiçav, nûvekirina nûvekirinê digire.Prensîbên sereke yên NAND GATE ji bo astengên teknolojîk ên bêhempa çareseriyên xwerû dike.
74HC00
74HC00
RENESAS
74HC00 ST SOP
In Stock: 6124 pcs
du-inpuce du dergehek nand-du-input a ku bi rastiya berbiçav hatî çêkirin e.Ew tevliheviyek hevgirtî ya pratîkî û sofîstîke teknolojîk dike.
Taybetmendiyên
• li ser qada voltaja berfireh xebitîne
• Derengiya bilez a bilez nîşan dide
• Ji bo operasyonên bilind û nizm ên maqûl
Taybetmendiyên elektronîkî
• Voltaja û niha: Ev pêkhatek li ser astek berfireh a asta voltaja dike, ku cihêrengiyek hewcedariyên sêwiranê bicîh tîne.
• Rêjeya germahiyê: Bi pêbawer di nav mîhengên germahiya cûda de, dihêle ku destûrê bide şert û mercên hawîrdorê yên cûda.
Serlêdan
• Bikaranîna giştî: Pargîdaniyek berbiçav, ew cîhek di nav cûrbecûrên dîjîtal ên Myriad de dibîne, hewcedariyên ji karên rojane yên bi kerema xwe re têkildar e.
• Pêvekên taybetî: Ji Elektronîkên Mezpererî ji Mekanîzmayên Pîşesaziyê re, 74HC00 yekser yekser yekser dike, di her serlêdanê de amûrên xwe diyar dike.
Cîgirê
74HC00
74HC00
RENESAS
74HC00 ST SOP
In Stock: 6124 pcs
adaptasyonek balkêş destnîşan dike, ku pir caran di çarçoweyên elektronîkî yên cihêreng de xuya dike ku spas ji bo fonksiyonên wê yên fireh.
Buffering û ajotinê
74HC00 bi adettly fonksiyonên wekî buffer an ajokar, girêdana girêdana bêserûber li seranserê Circuits.Ji hêla kêmkirina voltaja drop û dejenasyona nîşankirinê ya berbiçav, ew danûstendinek domdar di navbera pêkhateyan de saz dike.Di destên elektronîkî de, karkirina 74HC00 wekî buffer dikare kapasîteya mîkrobontrolker were çalak kirin da ku pirjimar an modulên pirjimar, taybetmendiyek dubare li projeyên DIY.
Operasyonên logîk
Vê çipê operasyonên mantiqî, wek deryayên NAND, avakirina pergalên tevlihev, pêk tîne.Yekbûna wê ya bêserûber di navbêna cûrbecûr logîk de, karanîna wê zêde dike.Di Sêwirana Dîjîtal de, Leveraging Nand Gates Emposin You You Circuits Logical Sofîstîke Bi Hin Parçeyên kêmtir, Hemû Bawer û Tevgerîn Pêşveçûn bikin.
Entegrasyonên pergalê yên embedded
Di nav pergalên embedded de, 74HC00 serpêhatiya peywirdarkirina peywirdaran bi fonksiyonên logic di nav destpêkên microcontroller de.
Pir amûrên IOT-ê vê çipê dixebitin ku kontrolên şertê bicîh bikin û amûrên periyodîkî bicîh bînin, berpirsiyariya pergalê zêde bikin.
Guhertina asta
74HC00 di asta veguherînê de rolek bi bandor re xizmet dikeVê yekê têkiliya hêsan a pêkhatên bi dengdanên voltaja cûrbecûr hêsantir dike.Di rewşên voltaja tevlihev de, wekî girêdana mîkrobontrolker a 5V-ê ji bo senaryoyek 3.3v, 74HC00 bi rêve dibe dabeşkirin, dabeşkirina daneyên rastîn.
Circuits Timing û Kontrol
Di heman demê de çîp di navbêna dem û kontrolê de jî taybetmendî dike, arîkariya li kordînasyona metirsî ya peywirên mantiqê ya Sequent, serlêdanên mîna nifşên xeta dereng û nifşên pulse.Qedexekirina cûrbecûr bi 74HC00 di karên wekî pergalên ragihandinê yên hevrêziyê de, bi ewlehî di nav rêveberiya wexta mestir de biparêze.
Berhevkarê dîjîtal ji bo berhevoka binar
74HC00 fonksiyonên wekî hevbergek dîjîtal ji bo berhevdanên binar, îdeal ji biryara di çarçoveyên dîjîtal de.Ew wekhevî an guhertina di navbera hejmarên binary de vedibêje.Karkirina 74HC00 ji bo berhevoka binaryî rêyek bikêr peyda dike ku biryarên birêkûpêk di protokolên dîjîtal ên cûrbecûr de, performansa pergala xurtkirî di çalakiyan de.
74HC00 Datasheet:
74HC00 details PDF74HC00 hûrguliyên pdf ji bo fr.pdf74HC00 Details PDF ji bo KR.pdf74HC00 hûrguliyên pdf ji bo wê.pdf74HC00 Details PDF ji bo es.pdf
1 Fonksiyona 74HC00 çi ye?
74HC00
74HC00
RENESAS
74HC00 ST SOP
In Stock: 6124 pcs
çar dergehên nû yên serbixwe yên 2-input, di hundurê 2.0V heya 6.0V de dixebitin.Sîstemên logîkî yên dîjîtal xizmet dikin, ew dihêle avakirina operasyonên mantiqî, ku pişta mîmariya navgîniya navbeynkariyê pêk tîne.
2. Howiqas gatesên NAND 74LS00 hene?
74LS00 komek çar dergehên NAND, her yek bi du input û encamek yekjimar pêk tê.Dema ku yekîneyên di dîjîtal di dîjîtal de di dîjîtal de di dîjîtal de pêşve diçin, ev konfigurasyonek hevpar e.
3
Cûdahiyek sereke adaptasyona voltaja wan e.74HC00 di nav 2V-ê heya 6V-ê de dixebite, dema ku 74LS00 ji bo peydakirina hêzek 5V-ê tê sînorkirin.Hilbijartin bi gelemperî bi cûrbecûr hewcedariyên hewcedar û faktorên jîngehê ve girêdayî ye.
4 Hûn dikarin rêza 74HC diyar bikin?
Series 74HC Series CMO-ya CMO-ya ku ji Circuits-ê ya High-leza tête taybetmend dike, leza bilez a ttl-ê bi karanîna hêza kêmbûyî pêşkêşî dike.Tevlîheviya wan bi Layoutên PIN-ê ya 74LS re dihêle ji bo yekbûn û şûna hêsan di navbêna heyî de.
5 Serlêdanên 74HC00 çi ne?
Di cûrbecûrên dîjîtal de, 74HC00 instrumental e ku dergehên mantiqê yên nand ji bo veguhastina têketinê û bicihanîna tevgerên tevlihev ên tevlihev hewce ne.Adaptasyona wê di navbêna perwerdehiyê û veberhênanên elektronîkî yên profesyonel de ewleksek hêja dike.
Vê postê parve bikin